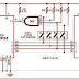
Here's a simple programmable electronic dice with numeric display. This dice can be
programmed using a 4-way DIP switch to display any random number between '1' and '2,' '1' and
'3,' ... or '1' and '9 [11].
  
 
programmed using a 4-way DIP switch to display any random number between '1' and '2,' '1' and
'3,' ... or '1' and '9 [11].
Share This :
 

 
comment 0 comments
more_vert